kayzelle dagum

gear motor

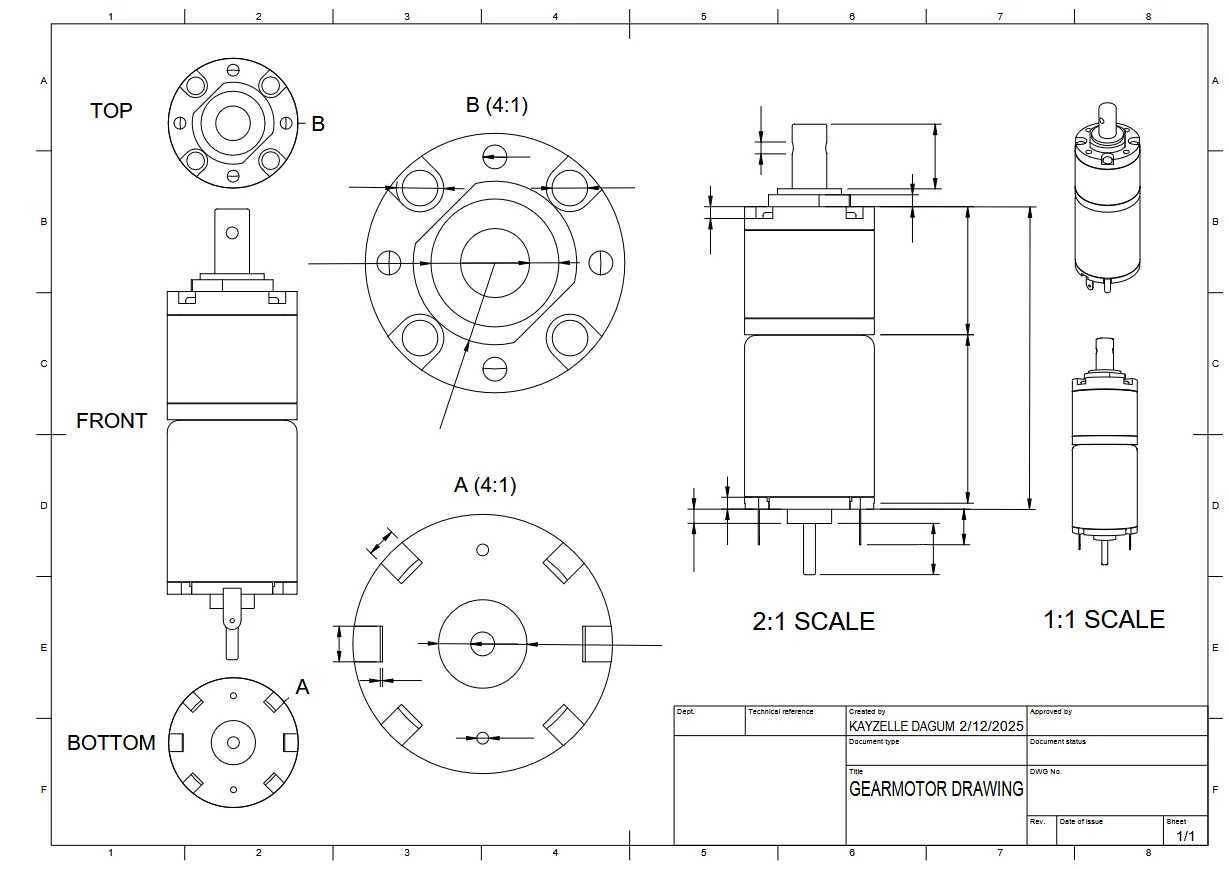
objectives:
• measured and documented dimensions of a DC Gear Motor using a caliper, ensuring precise and accurate data collection
• modeled the motor in Fusion 360, utilizing commands such as extrude, pattern, and fillet for detailed replication
• created a professional 11x17 technical drawing, including all necessary dimensions and titles
• maintained drafting standards and prepared the model for future project integration

skills:

motor
motor
motor process
motor top
motor bottom

( dimensions omitted )

motor drawing