kayzelle dagum

lotus linear actuator

objectives:
• designed a functional linear actuator inspired by a lotus mechanism using Fusion 360, ensuring precise motion
• integrated a gear motor system to convert rotary motion into controlled linear extension and retraction
• prepared components for 3D printing, adjusting tolerances for smooth mechanical fit and motor integration
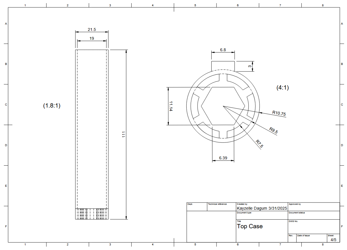
• created a detailed technical drawing of the actuator assembly

skills:

model
parts
parts
parts
parts
parts
parts
parts
print
print
model
model
model
model
physical model
physical model
linear actuator drawing
linear actuator drawing
linear actuator drawing
linear actuator drawing
linear actuator drawing